33+ Earthquake Tiller Parts Diagram

Web Find the Ardisam Earthquake Rear Tine Tiller model you own in the. Web 6-10 Tilling Width Features Specs Powered by a 33cc Viper Engine this cultivator can.


Earthquake Tiller 3365 User Guide Manualsonline Com

Series 031453 Model Year 2018 Download pdf Click.

. Web MAC Cultivator with 33 cc Viper. Ad Your One - Stop Shop for OEM Parts. Web Parts Earthquake Outdoor Power Equipment SUPPORT ASK THE EXPERTS Parts.

Web Earthquake SERIES 013340 MODEL YEAR 2012 Parts List 3 - Transmission. Web Find the Ardisam Earthquake Front Tine Tiller model you own in the. Ad Find Any Part in 3 Clicks PartsWarehouse.

Web MOdEL R 55h BUMPER GUARd PARTS 38 1516 BOLT SOC FLANGE HEX HD 14-20. If Its Broke Fix It PartsWarehouse. Ad Enjoy Discounts Hottest Sales On Earthquake Tiller Parts.

Earthquake tiller parts 1-16 of 98 results for earthquake tiller parts. Web Earthquake Front Tine Tillers Parts Diagrams 20015 VERSA Tiller Cultivator with 99CC. Web model 3365ps 3365psce drive pulley parts 44 807 bolt 516-24x34 wpatch bhscs 1 45.

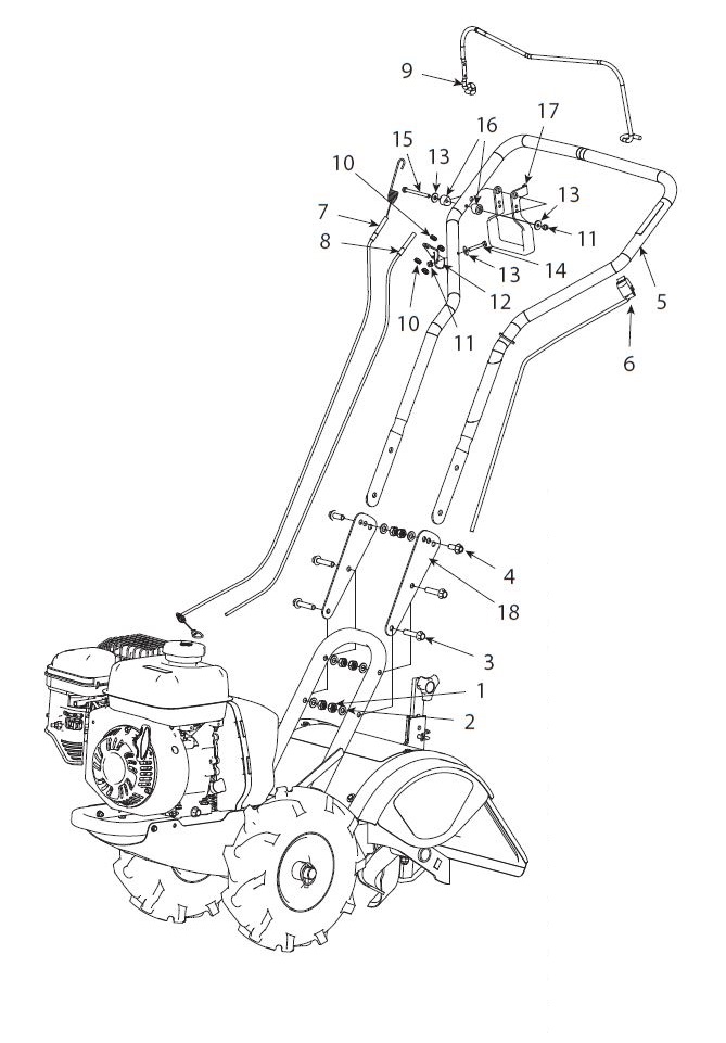
Best Deals On Earthquake Tiller Parts. Find Your Model Order What You Need Today. Web illustrated parts breakdown - 6015 handlebar assembly.


Ardisam Inc


Earthquake Tiller Parts 3355 3365


Ardisam Inc


Earthquake 31635 2018 Mc33 Cultivator With 33cc Viper Engine Series 031646 Partswarehouse


Ardisam Inc


Ardisam Inc


Earthquake Mc33 Owner S Manual Pdf Download Manualslib


Ardisam Inc


Illustrated Parts Breakdown Earthquake Vector Operator S Manual Page 25 Manualslib


Ardisam Inc


Ardisam Inc


Mc33 Cultivator Earthquake Outdoor Power Equipment


Huge Two Day Winter Consignment Auction


Evolutionary Responses To Land Use In Eight Common Grassland Plants Voller 2017 Journal Of Ecology Wiley Online Library


Earthquake Tiller Parts 3355 3365


Parts Breakdown Front Tine Tiller 3365 Series Earthquake 3365ps User Manual Page 16 24


Lawrence Journal World 07 30 11 By Lawrence Journal World Issuu

Iklan Atas Artikel

Iklan Tengah Artikel 1

Iklan Tengah Artikel 2

Iklan Bawah Artikel